Logo

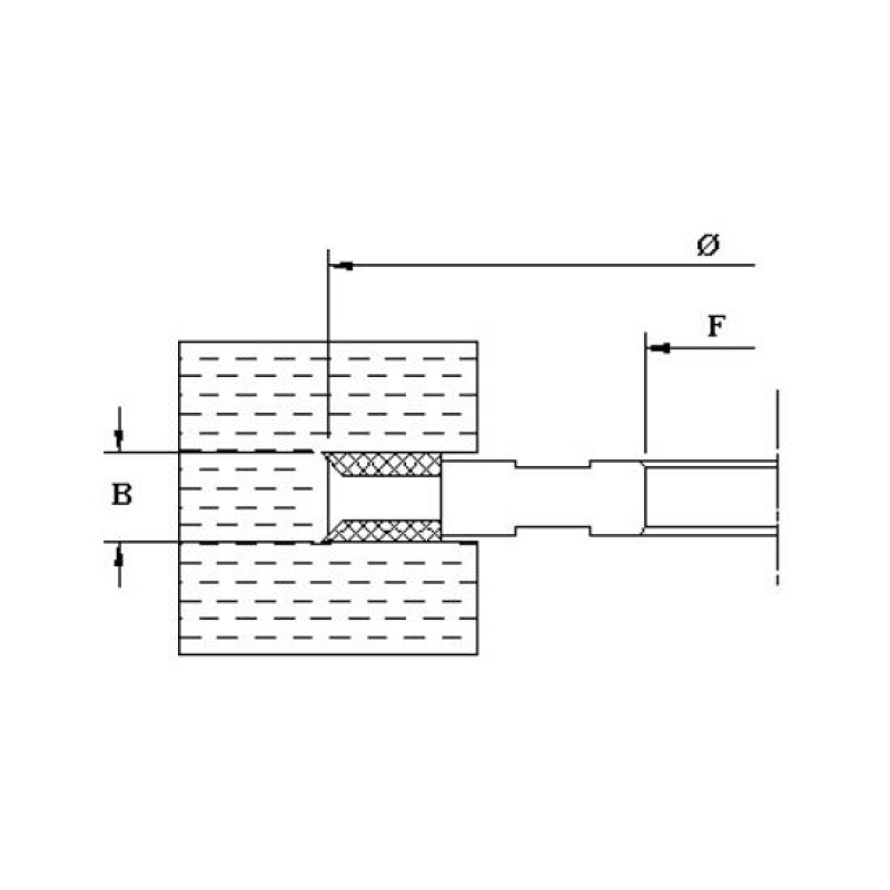
ART. 404


Frese per canali a spessore costante con 4 taglienti diritti e 4 rasanti in HM, per legni duri, teneri, incollati, truciolari.

Referencia: ART.404